¡Acumula BROpoints con cada compra!

Direkt ist günstiger für Dich!Direkt ist günstiger für Dich!

Wusstest du, dass Preisvergleich-Plattformen und Suchmaschinen bei jedem Kauf fett mitverdienen? Über 20 % vom Preis gehen nur für Werbung drauf – und das zahlen am Ende alle mit. Wir sagen: Nein danke und möchten die Werbekosten lieber als Preisreduktion an Euch weitergeben!

Aus diesem Grund übermitteln wir nicht mehr unseren gesamten Bestand, die Bestpreis-Angebote und Deals an die großen Plattformen und können Dir so - neben den Geschenken, BROpoints und anderen Vorteilen - wesentlich bessere Preise geben, die Du ausschließlich bei uns findest. Deswegen lohnt es sich, ohne Umwege, direkt zu uns zu kommen.

Initiative für bessere Preise und mehr Fairness im Online-Handel.

Finde hier ALLE ANGEBOTE, für die wir derzeit den Online-Bestpreis haben.

Descripción

SKU: 26148
EAN: 4064677024048

Alcance de la entrega:

- 400x anclajes de tornillo HECO MULTI MONTI plus MS 7,5 x 35 mm

Descripción del Producto:

El anclaje de tornillo MULTI MONTI plus de HECO es un desarrollo mejorado del tornillo para hormigón MULTI MONTI. La particularidad del tornillo es que el tornillo se puede introducir sin tacos en un orificio pretaladrado y es inmediatamente resistente. Gracias a los dientes reforzados en la punta del tornillo se enrosca una rosca interior en el material de construcción. El resultado es un ajuste positivo a través del cual se produce el anclaje. El alto nivel de seguridad en la aplicación que proporciona este proceso protege a los usuarios y a los destornilladores. El MULTI MONTI se puede mecanizar fácilmente cerca del borde sin llave dinamométrica. Además, el tornillo se puede quitar y posiblemente incluso reutilizar. Heco es un fabricante líder de tornillos, la empresa se caracteriza por su alta calidad y una larga tradición.

Datos técnicos:

Fabricante: HECO
Número de fabricante: 49854
Nombre del fabricante: MULTI MONTI plus MS
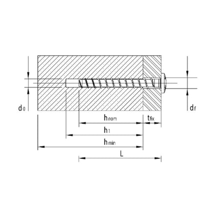
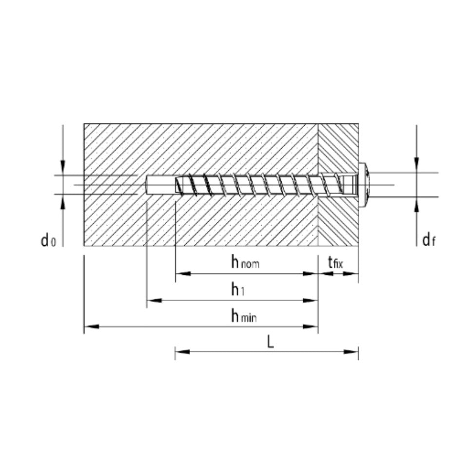
Grosor de fijación, tfix1: 1 mm
Tamaño de la unidad: T-30
Diámetro de broca, d0: 6,0 mm
Profundidad del taladro, h1: 4 0 mm
Orificio pasante en el accesorio, df: 9mm
Profundidad de atornillado, hnom1: 35 mm
Longitud del hilo, longitud: 32 mm
Diámetro de la cabeza, dk: 17,0 mm
Potencia máxima recomendada de la llave de impacto, Tmax1: 120 Nm
Espesor mínimo del componente, hmin: 100mm
Distancia mínima al borde, cmin: 30mm
Diámetro, d: 7,5 mm
Longitud, l: 35 mm
Diseño de cabeza: Anclaje de carril de montaje con cabeza redonda plana
Conducir: Unidad T
Superficie: azul galvanizado, A2K
Material: Acero carbono
Evaluación técnica europea: ETA-15/0785
Clase de resistencia al fuego: F120/R120
Aprobación de rociadores:
Aprobación de la autoridad general de construcción: Z-21.1-2103


Si se utiliza con fines comerciales, ¡tenga en cuenta las normas de construcción!

Forma del producto

HECO MULTI MONTI plus MS anclaje de tornillo 7,5 x 35 mm 400 piezas (4x 49827) tornillo para hormigón cabeza redonda plana T-Drive galvanizado azul A2K

  • Fabricante HECO
  • Estado  Producto nuevo
  • Unzufrieden? 100 Tage kostenfreie Retoure
€99,89
Incl. IVA, envío no incl.
    • American Express
    • Apple Pay
    • Google Pay
    • PayPal
    • Klarna
    • Mastercard
    • +12 weitere

    +780.000 BROs folgen uns auf

     

    Smarte Produktberatung

    Rechnung, Versand & GPSR

    Versand & Rechnung durch: Dinotech e.K.

    Persona responsable de la UE (GPSR) Operador económico establecido en la UE que garantiza que el producto cumple la normativa exigida.
    • HECO-Schrauben GmbH & Co. KG
    • Dr.-Kurt-Steim-Straße 28
    • 78713 Schramberg
    • Alemania
    • +4974229890
    • info@heco-schrauben.de

    Descripción

    SKU: 26148
    EAN: 4064677024048

    Alcance de la entrega:

    - 400x anclajes de tornillo HECO MULTI MONTI plus MS 7,5 x 35 mm

    Descripción del Producto:

    El anclaje de tornillo MULTI MONTI plus de HECO es un desarrollo mejorado del tornillo para hormigón MULTI MONTI. La particularidad del tornillo es que el tornillo se puede introducir sin tacos en un orificio pretaladrado y es inmediatamente resistente. Gracias a los dientes reforzados en la punta del tornillo se enrosca una rosca interior en el material de construcción. El resultado es un ajuste positivo a través del cual se produce el anclaje. El alto nivel de seguridad en la aplicación que proporciona este proceso protege a los usuarios y a los destornilladores. El MULTI MONTI se puede mecanizar fácilmente cerca del borde sin llave dinamométrica. Además, el tornillo se puede quitar y posiblemente incluso reutilizar. Heco es un fabricante líder de tornillos, la empresa se caracteriza por su alta calidad y una larga tradición.

    Datos técnicos:

    Fabricante: HECO
    Número de fabricante: 49854
    Nombre del fabricante: MULTI MONTI plus MS
    Grosor de fijación, tfix1: 1 mm
    Tamaño de la unidad: T-30
    Diámetro de broca, d0: 6,0 mm
    Profundidad del taladro, h1: 4 0 mm
    Orificio pasante en el accesorio, df: 9mm
    Profundidad de atornillado, hnom1: 35 mm
    Longitud del hilo, longitud: 32 mm
    Diámetro de la cabeza, dk: 17,0 mm
    Potencia máxima recomendada de la llave de impacto, Tmax1: 120 Nm
    Espesor mínimo del componente, hmin: 100mm
    Distancia mínima al borde, cmin: 30mm
    Diámetro, d: 7,5 mm
    Longitud, l: 35 mm
    Diseño de cabeza: Anclaje de carril de montaje con cabeza redonda plana
    Conducir: Unidad T
    Superficie: azul galvanizado, A2K
    Material: Acero carbono
    Evaluación técnica europea: ETA-15/0785
    Clase de resistencia al fuego: F120/R120
    Aprobación de rociadores:
    Aprobación de la autoridad general de construcción: Z-21.1-2103


    Si se utiliza con fines comerciales, ¡tenga en cuenta las normas de construcción!

    Visto recientemente

    Las preguntas más frecuentes de un vistazo

    ¿Cómo puedo pagar mi pedido?

    Ofrecemos una gran variedad de métodos de pago seguros:

    Formas de pago online

    PayPal, Klarna, Google Pay, Apple Pay y Shop Pay.

    Tarjetas de crédito

    También puede pagar con las tarjetas de crédito habituales VISA, MasterCard y American Express. En este caso, el pago se asegura mediante el método 3D Secure. Si tenemos indicios de que se trata de un pedido fraudulento, lo cancelaremos automáticamente.

    ¿Cómo puedo pagar mi pedido?
    ¿Cómo puedo recibir una factura?

    Recibirás la factura automáticamente en un correo electrónico independiente de nuestro socio de envío una vez que se haya recibido el pago. Por lo tanto, no viene directamente con el acuse de recibo. Además, se adjunta una factura en papel al pedido.

    Por favor, comprueba de nuevo detenidamente la carpeta de correo no deseado y, si no la encuentras, ponte en contacto aquí en nuestro portal de facturación.

    Devolución: Quiero devolver algo

    Si quieres devolver tu pedido o parte de él y vienes de la UE, 🇪🇺, echa un vistazo a nuestro portal de devoluciones.

    Para devoluciones desde Suiza, 🇨🇭 y Liechtenstein, 🇱🇮, utiliza este portal de devoluciones

    ¿Dónde está mi pedido?

    Hay varias formas de seguir el estado del envío:

    El envío suele tardar entre 1 - 4 días laborables. Si tarda más o crees que el paquete ha desaparecido, ponte en contacto con nosotros aquí en nuestro portal de problemas.

    Tu familia de herramientas

    • <strong>Asesoramiento personal</strong>

      Asesoramiento personal

      A diferencia de muchas otras plataformas, con nosotros recibes un asesoramiento personal y un servicio de asistencia en todo momento.

    • <strong>Entrega rápida</strong>

      Entrega rápida

      Nos aseguramos de que recibas tu pedido en un plazo de 2 a 4 días laborables. Para ello, trabajamos con distribuidores seleccionados.

    • <strong>Los mejores precios</strong>

      Los mejores precios

      Actualmente, por cada artículo que lleve este símbolo, te ofrecemos el mejor precio online (en comparación con el mercado alemán). Encontrarás la información detallada en las páginas de los productos.

    This is Toolbrothers

    Las herramientas son el motor de nuestra sociedad. Tanto si estás construyendo una casa, como si has comprado un armario de IKEA o como si quieres arreglar por fin el grifo que gotea. Necesitas herramientas. Nosotros te las proporcionamos, y al estilo Toolbrothers.

    • Súper rápido
    • Fiable
    • Con el mejor servicio

    Ingresa en

    ¿Ha olvidado su contraseña?

    ¿Aún no tienes una cuenta?
    Crear una cuenta